QR-Code
Produkte
Kontaktiere uns


Fax
+86-574-87168065

Email

Adresse
LUOTUO Industriegebiet, Bezirk Zhenhai, Stadt Ningbo, China
Raydafons SWC-DH Short Flex-Schweißtyp Universal-Kopplung wurde gebaut, um falsch ausgerichtete Wellen in Hochleistungsgetränken zu verbinden-denken Sie nach Rollmühlen, Hoisten und Stahlverarbeitungsmaschinen. Es handelt sich um eine kompakte, kurze, universelle Kupplung von Flex -Kupplung mit einem Kulationsdurchmesser, der zwischen 45 mm und 390 mm reicht. Selbst wenn die Wellen um bis zu 25 Grad abgeschaltet sind (Winkelfehlausrichtung), bewegt sie sich immer noch effizientes Drehmoment - die mit 1000 kn · m ausgestattet wird, was genau zu den Strombedürfnissen der starken Geräte passt.
Wir schaffen es mit hochfestes 35Crmo-Stahl und fügen vier Nadellager hinzu, sodass es unter schweren Lasten hält. Aus diesem Grund ist es eine solide Auswahl für industrielle Maschinenuniverselle Kupplungen und eignet sich hervorragend als schwere Geräte, die universelle Kupplungen an Stellen, an denen Ladungen ununterbrochen bleiben. Das Kurzflex-Design eignet sich auch perfekt für Maschinen mit wenig Raum für axiale Bewegungen-eine harte Getriebefix für harte Industrieräume.
Raydafon ist ein in China ansässiger Hersteller mit ISO 9001-Zertifizierung. Daher halten wir uns an strenge Qualitätsregeln für jede SWC-DH-Universalkopplung. Die Kreuzwelle erhält eine Chromplatte, um die Korrosion zu bekämpfen, sodass sie auch dann dauert, wenn die Bedingungen hart sind. Das geschweißte Joch erleichtert auch die Installation - richten Sie die Wellen einfach richtig aus und es funktioniert von seiner besten Seite. Sie finden es in Metallurgie, Bergbau und Kransystemen, kein Problem.
Außerdem gibt es diese Kopplung in verschiedenen Größen und Drehmomentbewertungen. Wenn Sie eine individuelle universelle Kopplung für Industriemaschinen benötigen - zeichnen, für Erntemaschinen oder andere spezifische Ausrüstung - können wir sie auf Ihre Bedürfnisse anpassen, und der Preis bleibt wettbewerbsfähig. Wir haben das Fertigungs-Know-how, um diese kurze Flexkopplung bei Ausfallzeiten der Geräte zu verringern, sodass Ihre Maschinen insgesamt zuverlässiger laufen.
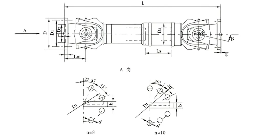
| NEIN. | Gyrationsdurchmesser d mm | Nominalmoment Tn KN · m | Achsen falten Winkel β (°) | Müde Drehmoment tf KN · m | Flexmenge Ls mm | Größe (mm) | Trägheit rotierende kg.m2 | Gewicht (kg) | |||||||||||
| Lmin | D1 (JS11) | D2 (H7) | D3 | Lm | n-d | k | t | b (H9) | g | Lmin | Zunahme 100 mm | Lmin | Zunahme 100 mm | ||||||
| SWC180DH1 | 180 | 20 | 10 | ≤25 | 75 | 650 | 155 | 105 | 114 | 110 | 8-17 | 17 | 5 | - | - | 0.165 | 0.0070 | 58 | 2.8 |
| SWC180DH2 | 55 | 600 | 0.162 | 56 | |||||||||||||||
| SWC180DH3 | 40 | 550 | 0.160 | 52 | |||||||||||||||
| SWC225DH1 | 225 | 40 | 20 | ≤ 15 | 85 | 710 | 196 | 135 | 152 | 120 | 20 | 5 | 32 | 9.0 | 0.415 | 0.0234 | 95 | 4.9 | |
| SWC225DH2 | 70 | 640 | 0.397 | 92 | |||||||||||||||
| SWC250DH1 | 250 | 63 | 31.5 | ≤ 15 | 100 | 795 | 218 | 150 | 168 | 140 | 8-19 | 25 | 6 | 40 | 12.5 | 0.900 | 0.0277 | 148 | 5.3 |
| SWC250DH2 | 70 | 735 | 0.885 | 136 | |||||||||||||||
| SWC285DH1 | 285 | 90 | 45 | ≤ 15 | 120 | 950 | 245 | 170 | 194 | 160 | 8-21 | 27 | 7 | 40 | 15.0 | 1.876 | 0.0510 | 229 | 6.3 |
| SWC285DH2 | 80 | 880 | 1.801 | 221 | |||||||||||||||
| SWC315DH1 | 315 | 125 | 63 | ≤ 15 | 130 | 1070 | 280 | 185 | 219 | 180 | 10-23 | 32 | 8 | 40 | 15.0 | 3.331 | 0.0795 | 346 | 8.0 |
| SWC315DH2 | 90 | 980 | 3.163 | 334 | |||||||||||||||
| SWC350DH1 | 350 | 180 | 90 | ≤ 15 | 140 | 1170 | 310 | 210 | 267 | 194 | 10-23 | 35 | 8 | 50 | 16.0 | 6.215 | 0..2219 | 508 | 15.0 |
| SWC350DH2 | 90 | 1070 | 5.824 | 485 | |||||||||||||||
| SWC390DH1 | 390 | 250 | 125 | ≤ 15 | 150 | 1300 | 345 | 235 | 267 | 215 | 10-25 | 40 | 8 | 70 | 18.0 | 11.125 | 0.2219 | 655 | |
| SWC390DH2 | 90 | 1200 | 10.763 | 600 | |||||||||||||||
* 1. tf-unter die Wechselbelastung das Drehmoment, das nach der Ermüdungsstärke zulässt. * 2. Lmin-die geringste Länge nach dem Schnitt. * 3. Länge der L-Installation, die den Anforderungen entspricht
Die SWC Universal Gelenkkopplung, die häufig als SWC Cardan Shaft Universal Gelenkkopplung bezeichnet wird, ist eine Schlüsselkomponente in hochkarätigen industriellen Szenarien. Es ist unverzichtbar für Rollmühlen, Hebemaschinen und verschiedene großflächige schwere Maschinensysteme. Als Hochtorque-universelle Gelenkkupplung kann zwei Transmissionswellen effektiv mit nicht-koelzidenten Achsen verbinden, um eine ununterbrochene Leistungsübertragung auch unter komplexen und rauen Arbeitsbedingungen zu gewährleisten.
Die technischen Kernparameter dieser Kupplung sind wie folgt:
Gyrationsdurchmesser: φ58 - φ620
Nennmoment: 0,15 - 1000 kN · m
Achsenfalfwinkel: ≤ 25 °
In praktischen Anwendungen funktioniert es außergewöhnlich gut. Zum Beispiel ist bei einem Betriebsmühlenbetrieb, wenn eine zuverlässige Hochleistungsuniverselle gemeinsame Verbindung zu Rollmühlen benötigt wird, oder bei der Hebens- und Materialhandhabungsgeräte, wenn eine dauerhafte SWC Universal Gelenkschachtkupplung erforderlich ist, ist dieses Produkt vollständig kompetent. Selbst bei schweren Belastungen kann es die Betriebsstabilität der Geräte stabil aufrechterhalten.
Die SWC Universal Joint Copping wurde unter Verwendung fortschrittlicher Engineering -Prinzipien entwickelt, wodurch eine außergewöhnliche Leistung und eine längere Lebensdauer in industriellen Umgebungen bietet. Die wichtigsten strukturellen Merkmale sind wie folgt:
Angemessene und sichere Struktur: Diese industrielle universelle gemeinsame Kopplung mit einem integrierten Fork-Kopfdesign verringert das Risiko einer Bolzenlöschung oder -breite und erhöht die strukturelle Festigkeit um 30%bis 50%. Dieses Design sorgt für einen sicheren und zuverlässigen Betrieb, verlängert die Lebensdauer im Vergleich zu herkömmlichen Modellen und verhindert häufige Ausfälle in Hochdruckszenarien wie universellem Gelenkkopplungssystemen mit schwerem Maschinen.
Verbesserte Kapazität der Tragfähigkeit: Die SWC-Hochleistungsuniverselluverkupplung ist speziell so ausgelegt, dass sie schwere Belastungen tragen, was es für Szenarien, die ein hervorragendes Lastmanagement erfordern, wie Bergbau- oder Baumaschinen erforderlich sind.
Hohe Übertragungseffizienz: Mit einer Effizienz von bis zu 98,6%reduziert diese effiziente universelle Gelenkkupplung für Hochleistungsübertragung den Energieverbrauch und die damit verbundenen Kosten erheblich, was die erste Wahl für energiesparende universelle Gelenkkopplungslösungen in Hochleistungs-Industrieübertragungssystemen macht.
Stabiler Betrieb mit niedrigem Rauschen: Diese universelle Gelenkkopplung mit niedrigem Rausch funktioniert stabil mit Geräuschpegeln zwischen 30 und 40 dB (a), was eine ruhige Leistung gewährleistet. Es ist ideal für lärmempfindliche Umgebungen und die hohe Zuverlässigkeit.
Die universellen Gelenkkupplungen, insbesondere die SWC Cardan -Wellenuniversitätsverbindungskopplung, sind aufgrund ihrer ausstehenden Vorteile in industriellen Anwendungen unverzichtbare Übertragungskomponenten geworden. Sie können die Kernbedürfnisse mit ihrer Leistung in Bereichen wie schwerer Maschinen, Präzisionsherstellung und Energieübertragung erfüllen. Im Folgenden finden Sie eine detaillierte Analyse ihrer wichtigsten Vorteile:
1. Starke Drehmomentübertragung und ausgezeichnete Fehlausrichtungsausgleich
Als Hochtorque-universelle Gelenkkupplung kann sie ledigliche Lasten stabil übertragen. Selbst in Szenarien, in denen eine Schachtfehlausrichtung häufig während der Rollmühlenoperationen auftritt-wie durch axiale Offset, die durch Rollenverschleiß und Temperaturänderungen während des Stahlrollens verursacht werden-, kann diese zuverlässige Hochleistungsuniversaldokupplung für Rollmühlenbetrieb mit problemlos umgehen. Es kann gleichzeitig eckige, axiale und radiale Fehlausrichtungen mit einer maximalen Winkelfehlausrichtung von bis zu 25 Grad kompensieren. Diese hervorragende Anpassungsfähigkeit der Fehlausrichtung verhindert die durch Fehlausrichtung der Wellen verursachten Übertragungsstaus, sorgt für eine kontinuierliche und stabile Stromversorgung, verringert die Wahrscheinlichkeit mechanischer Fehler unter extremen Arbeitsbedingungen erheblich und garantiert den kontinuierlichen Betrieb der Produktionslinien.
2. hohe Haltbarkeit und längeres Lebensdauer
Die Konstruktion und die Materialauswahl der SWC -Universalgelenkkupplungen sind auf "Widerstand gegen schwere Belastungen und stellvertretenden rauen Umgebungen". Der Hauptkörper besteht aus hochfestigem Legierungsstahl, kombiniert mit einer integrierten Gabelkopfstruktur, die die gemeinsamen Ausfallpunkte wie Bolzenlösen und Komponentenbruch grundlegend reduziert. Nehmen Sie beispielsweise die dauerhafte SWC Universal -Gelenkwellenkupplung, die beispielsweise bei Hebungs- und Materialhandhabungsgeräten verwendet wird, die momentane Aufprallbelastung beim Anheben schwerer Objekte und bei der Aufrechterhaltung einer stabilen Leistung in harten Umgebungen wie Staub und hohen Temperaturen. Im Vergleich zu herkömmlichen Split-Struktur-Kupplungen weist diese industrielle universelle gemeinsame Kopplung eine Gesamtstärke um 30%bis 50%auf, was nicht nur die Häufigkeit der täglichen Wartung verringert, sondern auch die Lebensdauer um 2-3 Jahre erweitert. Es ist besonders geeignet für die langfristigen hohen Lastanforderungen von schweren Maschinenuniversellonten-Kopplungssystemen.
3.. Hohe Übertragungseffizienz und signifikanten energiesparenden Effekt
Tests haben gezeigt, dass die Übertragungseffizienz der SWC-Hochleistungs-Universal-Gelenkkupplung bis zu 98,6%beträgt, was offensichtliche Vorteile der industriellen Übertragungsszenarien mit hoher Leistung aufweist-wie Blastofenventilatoren in Stahlwerken und Kohlefördersystemen in Kraftwerken. Für Geräte, die eine kontinuierliche Übertragung von Hochleistungen erfordern, kann die Übereinstimmung mit dieser effizienten universellen Gelenkkopplung für große Stromübertragung den Stromverlust minimieren. Für Unternehmen, die energiesparende universelle gemeinsame Kopplungslösungen verfolgen, kann diese hohe Effizienz direkt in Kostenvorteile umgewandelt werden: Einen Industriemotor mit 1500 KW kann beispielsweise mehr als 12.000 Yuan in Stromkosten pro Jahr einsparen, und es kann bei den Unternehmensreduziertrends, bei der die Betriebsreduzierung beträchtliche Betriebskosten in den Treuungskosten in den Treuhandteilen und Verbrauchsreduzierungen bei den Treuungskosten im Industrium und der Verbrauchsreduktion bei der industriellen Konditionskosten beitragen.
4. stabiler und ruhiger Betrieb, geeignet für mehrere Szenarien
Durch die Optimierung der Genauigkeit der Lageranpassung und der Verwendung von Schmierfett mit einem niedrigen Reibungskoeffizienten wird das Betriebsgeräusch dieser universellen Gelenkkopplung mit niedrigem Aufwand streng mit 30-40 dB (a) kontrolliert, was dem Umgebungsgeräuschpegel eines täglichen Amtes entspricht und den Lärmunterlungsstandards der Industrie-Standorte von Lärmunterlagen entspricht. In rauschempfindlichen Szenarien-wie bei der Produktionslinien in Lebensmittelverarbeitungsanlagen und als Ausrüstung für präzise elektronische Komponenten-kann dies nicht nur die Stabilität und Zuverlässigkeit des Übertragungssystems sicherstellen, sondern vermeiden auch, die Workshop-Umgebung oder die Betriebserfahrung der Mitarbeiter aufgrund von Rauschen zu beeinflussen. Gleichzeitig können die stabilen Übertragungseigenschaften auch den Verschleiß umgebender Komponenten verringern, der durch die Vibration der Geräte verursacht wird, wodurch die Betriebsstabilität und Lebensdauer des gesamten Produktionssystems weiter verbessert werden.
Die universelle Kupplung von SWC-DH Short Flex-Schweißtyp, die häufig als SWC Cardan-Schaft-Gelenkkopplung bezeichnet wird, wird hauptsächlich in schweren Maschinenszenarien wie Rollmühlen und Hebezeugen verwendet. Diese Art von Geräten hat äußerst hohe Anforderungen an strukturelle Kompaktheit und Flexibilität - nur wenn diese beiden Punkte erfüllt werden können, kann ein effizienter Betrieb erreicht werden, und diese Kopplung erfüllt diese Bedürfnisse perfekt. Als Hochtorque-universelle Gelenkkupplung kann zwei Übertragungswellen mit nicht-koelzidenten Achsen effektiv verbinden, um selbst in harten industriellen Umgebungen, die eine präzise Kompensation für die Fehlausrichtung des Schaftsystems erfordern, eine nahtlose Stromübertragung zu gewährleisten.
In praktischen Anwendungen ist eine zuverlässige Hochleistungsuniverselle gemeinsame Gelenkkopplung für Rollmühlenbetrieb während der Rollmühle erforderlich, oder eine dauerhafte SWC Universal Gelenkwellenkopplung ist für Heben und Materialhandhabungsgeräte erforderlich. Dieses Produkt kann hervorragend funktionieren. Dies kann auch unter Extremlasten einen stabilen Gerätebetrieb aufrechterhalten. Sein Anpassungsvorteil ist besonders in kompakten Geräte -Layouts, bei denen der Platz begrenzt ist und ein kurzes flexibles Strukturdesign erforderlich ist, besonders herausragend.
Diese SWC-DH Industrial Universal Joint Copping ist mit fortschrittlicher Ingenieurtechnologie gebaut und für die Leistung und Lebensdauer speziell für industrielle Szenarien optimiert. Das kernstrukturelle Merkmal liegt in seinem vernünftigen und sicheren Design: Die integrierte Gabelkopfstruktur beseitigt grundlegend die verborgenen Gefahren der Lockerung oder des Bruchs der Bolzen, wodurch die Gesamtfestigkeit um 30%bis 50%erhöht wird. Dieses Design gewährleistet nicht nur die Sicherheit und Zuverlässigkeit des Betriebs, sondern erweitert auch die Lebensdauer im Vergleich zu herkömmlichen Modellen und vermeidet gleichzeitig häufige Fehlerprobleme in Szenarien mit hoher Stressanwendung wie universellen Mapplungssystemen mit schwerem Maschinen.
Darüber hinaus wird die tragende Kapazität durch das Design verbessert, um mehr Gewichten zu standzuhalten, sodass diese SWC-Hochleistungsuniversellon-Kopplung für Szenarien mit strengen Anforderungen an die ladenlagreiche Kapazität wie Bergbaumaschinen und Baugeräte sehr geeignet ist. In Bezug auf die Übertragungseffizienz erreicht es bis zu 98,6%. Als effiziente universelle Gelenkkupplung für große Stromübertragung kann sie den Energieverbrauch und die Stromkosten erheblich senken, was es zu einem bevorzugten Produkt für energiesparende universelle Gelenkkopplungslösungen im Bereich der industriellen Übertragung von Hochleistungs-Industrieen macht.
Schließlich verfügt diese Kopplung stabiles Getriebe mit Betriebsgeräuschen, die normalerweise bei 30-40 dB (A) gesteuert werden, was es zu einer universellen Gelenkkopplung mit niedrigem Rang macht. Dieses Merkmal ermöglicht es, selbst in lärmempfindlichen industriellen Szenarien leise zu arbeiten und gleichzeitig eine hohe Zuverlässigkeit zu erhalten.
⭐⭐⭐⭐⭐ Wang Lei, Projektingenieur, Guangdong Heavy Machinery Co., Ltd.
Wir verwenden seit einiger Zeit die universelle Kupplung von Raydafon SWC-DH Short Flex-Schweißtyp in unserer schweren Maschinerie. Unsere Ausrüstung hat einen ziemlich begrenzten Platz für Getriebeteile, aber das kompakte Design dieses Kopplings passt wie ein Handschuh. Sie müssen andere Komponenten nicht neu ordnen, nur damit es funktioniert.
Was noch besser ist, ist, dass es keine Leistung für die Größe opfert. Es liefert immer noch eine starke, stetige Drehmomentübertragung-kritisch für unsere Hochleistungsoperationen. Wir sind seit Wochen kontinuierlich geführt, und es gab keine abnormale Vibration. Das gesamte System bleibt reibungslos. Die Schweißqualität ist auch ein weiteres Highlight-Sie können feststellen, dass es solide ist, nur wenn wir sie mir ansehen, was uns totales Vertrauen verleiht. Für eine Kopplung, die das platzsparende Design und die Zuverlässigkeit in Einklang bringt, ist dies ein Gewinner.
⭐⭐⭐⭐⭐ Zhao Ming, Beschaffungsmanager, Tianjin Steel Equipment Co., Ltd.
Wir haben kürzlich mehrere SWC-DH-Kupplungen von Raydafon bestellt, und ich muss sagen, der gesamte Beschaffungsprozess war ein Kinderspiel-keine Kopfschmerzen, keine Verzögerungen. Von dem Moment an, in dem wir die Bestellung verschickten, war ihr Team reaktionsschnell und die Lieferung zeigte sich direkt am geplanten Datum, was ein großes Plus für die Aufrechterhaltung unserer Produktion auf dem richtigen Weg ist. Die Verpackung war ebenfalls erstklassig: Jede Kupplung wurde sicher gewickelt, keine Dellen oder Schäden während des Versands-nur bereit, zu enttreiben und zu installieren.
Unser technisches Team hat das Setup abwickelt und erwähnte sofort, wie einfach es war, zu montieren. Keine komplizierten Schritte, keine Notwendigkeit, nach speziellen Werkzeugen zu suchen - sie haben es schnell eingebaut, und seitdem läuft es zuverlässig. Wenn Sie den angemessenen Preis gepaart mit dieser konsistenten Leistung berücksichtigen, ist klar, dass diese Kopplung einen großen Wert bietet. Wir planen bereits, es auf unserer regulären Beschaffungsliste zu halten. Es ist die Art von Produkt, die meine Arbeit als Käufer erleichtert.
⭐⭐⭐⭐⭐ Liu Hong, Wartungsdirektor, Shandong Industrial Group
Als jemand, der die Wartung der Ausrüstung überwacht, besteht meine größte Priorität darin, Ausfallzeiten zu verkürzen und die Zeit zu verkürzen, die mein Team für die Wartung von Teilen verbringt. Die SWC-DH-Kupplung von Raydafon prüft beide Kästchen perfekt. Wir verwenden es in Geräten, die täglich unter starken Arbeitsbelastungen läuft, und es rutscht nie aus oder verschiebt sich - fein an Ort und Stelle, keine losen Verbindungen. Auch nach monatelanger Verwendung gibt es kaum ein Anzeichen von Verschleiß, was ein großer Kontrast zu anderen zuvor verwendeten Kupplungen ist.
Mit diesen älteren Kupplungen haben wir immer schnelle Korrekturen oder Teilenersatzplätze planen, die in die Produktionszeit gegessen und in den Kosten summierten. Dieses hier? Wir berühren es kaum - keine häufige Wartung, keine unerwarteten Zusammenbrüche. Es hat uns so viel Zeit und Geld bei der Wartung gespart und macht seine Arbeit nur zuverlässig. Heutzutage ist es zu einer Komponente in unseren täglichen Operationen geworden. Ich muss mir keine Sorgen machen, dass es fehlschlägt, sodass ich mich auf andere Prioritäten konzentrieren kann. Genau die Art von zuverlässigem Teil, das jedes Wartungsteam benötigt.
Adresse
LUOTUO Industriegebiet, Bezirk Zhenhai, Stadt Ningbo, China
Tel


+86-574-87168065


LUOTUO Industriegebiet, Bezirk Zhenhai, Stadt Ningbo, China
Copyright © Raydafon Technology Group Co., Limited Alle Rechte vorbehalten.
Links | Sitemap | RSS | XML | Datenschutzrichtlinie |
