QR-Code
Produkte
Kontaktiere uns


Fax
+86-574-87168065

Email

Adresse
LUOTUO Industriegebiet, Bezirk Zhenhai, Stadt Ningbo, China
Raydafons SWC-WF ohne universelle Kupplung vom Typ Flex Flansch wird nur für Hochtorque-Getriebe in schweren Maschinen hergestellt-denken Sie nach Metallurgieausrüstung, Kranichen, Bergbausystemen, all die schwierigen Setups, die eine stetige Leistung benötigen. Es verfügt über ein nicht flexibles Flanschdesign, die Kaufmesser im Bereich von 160 mm und 640 mm, und dieser universelle Kopplung vom Flansch-Typ verhandelt mit großen eckigen Fehlausrichtungen sowie kontinuierlichen Rotationsgeschwindigkeiten kein Problem, selbst wenn sie unter super anspruchsvollen Bedingungen arbeiten. Wir verwenden einen hochfesten 35Crmo-Stahl, um ihn zu bauen, sodass er perfekt zu intensiven Lasten steht-genau warum es eine Top-Auswahl für universelle Kopplungen für schwere Maschinen und universelle Kopplungen für industrielle Anwendungen für industrielle Anwendungen ist. Die Präzisionsherstellung von Raydafon stellt sicher, dass sie jedes Mal eine solide Leistung liefert, insbesondere für Branchen, die die konsistente Drehmomentlieferung nicht beeinträchtigen können.
Diese SWC-WF-Universalkupplung ist bis zu einer starken Flanschverbindung gebaut, die die Installation in Systemen wie Shipbuilding-Laufwerken und Rollmühlen erleichtert-Platziere, in denen die axiale Bewegung nicht viel ist. Wir folgen streng der ISO 9001-Standards, und unsere in China ansässige Fabrik verwendet Advanced Machining sowie enge Qualitätskontrollen, um diese langlebige universelle Flanschkopplung zu machen. Es ist in anpassbaren Größen mit Drehmomentbewertungen von bis zu 1250 kN · m erhältlich, sodass es direkt in kundenspezifische universelle Kupplungen für Metallurgiegeräte und andere Hochleistungs-Setups passt. Raydafon bietet auch maßgeschneiderte Lösungen zu wettbewerbsfähigen Preisen, um die Ausfallzeiten zu verringern und die Zuverlässigkeit Ihrer Ausrüstung zu steigern.
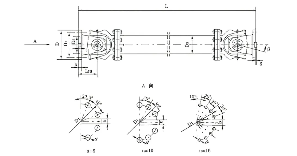
| NEIN. | Gyrationsdurchmesser d mm | Nominalmoment Tn KN · m | Achsen falten Winkel β (°) | Müde Drehmoment Tf KN · m | Größe (mm) | Trägheit rotierende kg.m2 | Gewicht (kg) | |||||||||||
| Lmin | D1 (JS11) | D2 (H7) | D3 | Lm | n-d | k | t | b (H9) | g | Lmin | Zunahme 100 mm | Lmin | Zunahme 100 mm | |||||
| SWC285WF | 285 | 90 | 45 | ≤ 15 | 810 | 245 | 170 | 194 | 160 | 8-21 | 27 | 7 | 40 | 15 | 2.664 | 0.051 | 220 | 6.3 |
| SWC315WF | 315 | 125 | 63 | 915 | 280 | 185 | 219 | 180 | 10-23 | 32 | 8 | 40 | 15 | 4.469 | 0.0795 | 300 | 8.0 | |
| SWC350WF | 350 | 180 | 90 | 980 | 310 | 210 | 267 | 194 | 10-23 | 35 | 8 | 50 | 16 | 7.388 | 0.2219 | 412 | 15.0 | |
| SWC390WF | 390 | 250 | 125 | 1100 | 345 | 235 | 267 | 215 | 10-25 | 40 | 8 | 70 | 18 | 13.184 | 0.2219 | 588 | 15.0 | |
| SWC440WF | 440 | 355 | 180 | 1290 | 390 | 255 | 325 | 260 | 16-28 | 42 | 10 | 80 | 20 | 23.250 | 0.4744 | 880 | 21.7 | |
| SWC490WF | 490 | 500 | 250 | 1360 | 435 | 275 | 325 | 270 | 16-31 | 47 | 12 | 90 | 22.5 | 40.750 | 0.4744 | 1173 | 21.7 | |
| SWC550WF | 550 | 710 | 355 | 1510 | 492 | 320 | 426 | 305 | 16-31 | 50 | 12 | 100 | 22.5 | 68.480 | 1.3570 | 1663 | 34.0 | |
| SWC620WF | 620 | 1000 | 500 | 1690 | 555 | 380 | 426 | 340 | 10-38 | 55 | 12 | 100 | 25 | 127.530 | 1.3570 | 2332 | 34.0 | |
* 1. tf-unter die Wechselbelastung das Drehmoment, das nach der Ermüdungsstärke zulässt.
* 2. Länge L-install, was entsprechend der Anforderung entspricht.
Raydafons SWC-WF ohne universelle Gelenkkopplung vom Typ Flex Flansch-auch als SWC Cardan Shaft Universal Gelenkkopplung bezeichnet-verarbeitet eine grundlegende mechanische Idee: Es erhält Drehmoment von zwei nicht kollinearen Schächten, wohin sie gehen müssen, und es wird auch mit Fehlzunierung behandelt. Diese Hochtorque-universelle Gelenkkupplung verwendet ein kreuztragierendes Setup, um die Flansche an beiden Enden zu verbinden. Selbst wenn die Wellen um bis zu 25 Grad verankert sind oder axiale/radiale Abweichungen aufweisen, bewegt sie die Drehleistung immer noch reibungslos.
Das Herzstück, wie es funktioniert, ist das universelle gemeinsame Design - es gibt eine Kreuzwelle, die wie ein Drehpunkt wirkt und sich jeden Flansch von selbst bewegen lässt. Auf diese Weise verläuft das Drehmoment von der Antriebswelle bis zur angetriebenen Welle effizient und macht winkelige Fehlausrichtungen aus, ohne die Teile, an die es verbunden ist, zu stark zu belasten. Wenn Sie eine zuverlässige Hochleistungsuniversaldokupplung für Rolling Mill-Operationen benötigen, hält die starre, nicht flexible Flanschstruktur dieses Eins stabil, was perfekt für Kurzstreckenverbindungen in kompakten, schweren Maschinen-Setups geeignet ist.
Was seine Funktion hervorhebt, ist, dass es keine flexiblen Teile oder Expansionsfunktionen hat - dies unterscheidet es von anderen Typen und macht es für Orte, an denen axiale Bewegungen minimal sind, hervorragend. Die dauerhafte SWC -Universal -Gelenk -Wellenkupplung, die wir in Heben und Materialhandhabungsgeräten verwenden, stützen sich auf dieses Prinzip, um auch unter großen Lasten ausgewogen zu bleiben. Es trifft die Effizienz von Übertragung von bis zu 98,6% und verschwendet nicht viel Energie. Diese industrielle universelle Gelenkkupplung senkt auch dank der präzisen Lagerbewegung auch die Vibrationen. Daher läuft sie auch in Situationen mit hohem Stress reibungslos-genau wie die schweren Mapplungssysteme der schweren Maschinen, die Sie in harten industriellen Arbeitsplätzen sehen würden.
Außerdem hat Raydafons SWC Heavy-Duty-Universal-Gelenk-Kopplung Flanschen geschweißt, um sie stabiler zu machen-keine Sorgen mehr über Schrauben, die sich lösen, und die Gesamtstärke um 30% bis 50% erhöht. Als effiziente universelle Gelenkkupplung für große Stromübertragung behandelt es nominale Torquen von 0,15 bis 1000 kN. Und mit dem Lärm zwischen 30 und 40 dB (a) läuft diese universelle gemeinsame Kupplung mit niedrigem Rund, was ideal für industrielle Stellen ist, an denen Lärm ein Problem ist und gleichzeitig hohe Zuverlässigkeitsstandards aufrechterhalten.
Raydafons SWC Universal Joint Copping - oft als SWC Cardan Shaft Universal Joint Copping genannt - ist nicht nur ein regulärer Teil. Es ist ein Muss für Hochleistungs-Industrie-Setups, wie Rollmühlen, Heben von Maschinen und alle Arten von harten, schweren Maschinensystemen. Als Hochtorque-universelle Gelenkkupplung leistet es einen soliden Job, der zwei Getriebewellen verbindet, die nicht perfekt ausgerichtet sind und sicherstellen, dass die Stromversorgung auch dann fließt, wenn die Arbeitsbedingungen rau werden.
Sprechen wir über seine Schlüsselspezifikationen: Der Kreiserdurchmesser reicht von φ58 bis φ620, das Nenndrehmoment von 0,15 bis 1000 kn · m und der Faltungswinkel der Achse nicht mehr als 25 °.
Dieses Produkt strahlt in bestimmten Szenarien wirklich an-wie wenn Sie eine zuverlässige Hochleistungsuniverselle gemeinsame Gelenkkupplung für Rollmühlenbetriebe oder eine langlebige SWC Universal-Gelenkwellenkopplung in Heben und Materialhandhabungsgeräten benötigen. In diesen Fällen beweist es seinen Wert, indem es den Betrieb stabil hält, auch wenn es sich um schwere Lasten handelt.
Die SWC Universal Joint Copping von Raydafon ist nicht nur für die Funktion aufgebaut, sondern auch mit intelligentem Design entwickelt, um den industriellen Gebrauch zu halten und langfristig gut zu funktionieren. Lassen Sie uns aufschlüsseln, was seine Struktur hervorhebt.
Erstens hat es eine angemessene und sichere Konfiguration: Wir haben ein integriertes Gabelkopfdesign für diese industrielle universelle Gelenkkupplung verwendet, die Risiken wie Bolzen abschneidet, die sich lösen oder brechen. Das allein steigert seine strukturelle Integrität um 30%-50%, so dass es sicher und zuverlässig funktioniert. Im Vergleich zu regulären Kupplungen dauert es länger und vermeidet häufige Zusammenbrüche in Spots mit hoher Stress-wie die schweren Maschinen-Kupplungssysteme, die Sie in schwierigen Arbeitsplätzen sehen.
Dann gibt es die verbesserte Kapazität der tragenden Kapazität: Diese SWC-Hochleistungs-Universal-Gelenk-Kupplung wird für große Gewichte hergestellt. Daher ist es ein Muss an Stellen, an denen erstklassiges Ladungsmanagement erforderlich ist, wie Bergbau- oder Baumaschinen.
Es liefert auch eine hohe Übertragungseffizienz - bis zu 98,6%. Als effiziente universelle Gelenkkopplung für große Stromübertragung senkt es den Energieverbrauch und die damit verbundenen Kosten. Aus diesem Grund ist es eine Top-Wahl für energiesparende universelle Gelenkkupplungslösungen bei Hochleistungs-Industrieübertragungs-Setups.
Und es läuft glatt mit niedrigem Rauschen: Es hält das Getriebe ruhig und das Geräusch bleibt normalerweise zwischen 30 und 40 dB (a). Diese universelle gemeinsame Kupplung mit niedrigem Anspruch stellt sicher, dass die Operationen ruhig bleiben, was perfekt für Orte ist, an denen Lärm ein Problem ist-und gleichzeitig die Zuverlässigkeit auf hohem Niveau beibehalten.
⭐⭐⭐⭐⭐ Chen Liang, Produktionsingenieur, Zhejiang Machinery Co., Ltd.
Wir haben Raydafons SWC-WF ohne universelle Kopplung von Flex Flansch auf eine unserer Produktionslinien gestellt, und es hat bisher großartig funktioniert. Die Struktur ist einfach, aber schwierig - es war ein Kinderspiel, keine komplizierten Schritte. Sobald es eingerichtet ist, läuft es reibungslos, keine zusätzlichen Änderungen. Selbst wenn die Last schwer ist, bleibt diese Kopplung zuverlässig, was bedeutet, dass wir die Maschinen lange Stunden laufen lassen können, ohne sich zu sehr Sorgen zu machen - definitiv mehr Seelenfrieden.
⭐⭐⭐⭐⭐ Sun Mei, Kaufleiter, Hebei Steel Co., Ltd.
Unsere Firma kaufte mehrere SWC-WF ohne universelle Kupplung von Flex Flansch vom Typ Raydafon, und zunächst war die Lieferung pünktlich und die Verpackung war auch vorsichtig-kein Schaden. Was mir wirklich auffällt, ist das, was das Workshop -Team gesagt hat: Sie sagten mir, die Kupplungen seien einfach zu installieren, und wenn sie sie verwenden, fühlen sie sich wirklich solide. Außerdem ist der Preis im Vergleich zu anderen Lieferanten hier fair. Alles in allem sind wir mit diesem Kauf sehr zufrieden.
⭐⭐⭐⭐⭐ Guo Jun, Wartungsmanager, Liaoning Heavy Industry Group
Meine Aufgabe ist es, unsere Maschinen am Laufen zu halten, und ich versuche, Ausfallzeiten so weit wie möglich zu reduzieren. Seit wir mit dem SWC-WF von Raydafon ohne universelle Kopplung von Flex Flansch mit Flex Flansch verwendet haben, habe ich einen großen Unterschied festgestellt-weniger Verschleiß für den Teil und viel weniger Probleme während des Betriebs. Das Design ist schwierig und es braucht nicht viel Wartung. Das spart uns sowohl Zeit als auch Geld, und es hat sich als super zuverlässig für unsere Ausrüstung herausgestellt.
Raydafon ist eine wichtige Tochtergesellschaft von Ever-Power Group Co., Ltd.-Wir sind nicht nur ein Lieferant, sondern auch ein Anbieter von Übertragungskomponenten und industrieller Lösungen. Seit wir begonnen haben, haben wir uns nur um die Weiterentwicklung von Technologie und das Wachstum auf den globalen Märkten handelt. Wir haben nicht aufgehalten, einzelne Komponenten zu verkaufen-jetzt basteln wir Full-System-Lösungen, die den landwirtschaftlichen und hochrangigen industriellen Bedürfnissen perfekt entsprechen. Unser Know-how in Antriebswellen und Getriebeprodukten bedeutet, dass Kunden, die zuverlässige Hochleistungsuniverselle gemeinsame gemeinsame Kopplung für Rolling Mill-Operationen (und andere schwierige Arbeitsplätze) benötigen, auf uns als soliden Partner zählen können.
Bei Raydafon stellen wir eine breite Palette von Produkten her: Getriebe, Antriebswellen, Hydraulikzylinder, Riemenscheiben und sogar fortschrittliche Werkzeugmaschinen wie CNC -Drehstoffe und Fräsmaschinen. Unsere hochtorque universellen Gelenkkupplungslösungen-zum Beispiel die SWC-Serie-werden für die strengen Anforderungen von Branchen gebaut, die eine dauerhafte SWC Universal Gelenkwellekupplung in Hebe- und Materialhandhabungsgeräten benötigen. Wir haben auch fortgeschrittene Einrichtungen: CNC-Workshops, Schleif- und Wärmebehandlungsmaschinen, 3D-Messwerkzeuge-alle, um sich an ISO9001/TS16949-Standards zu halten, sodass jede industrielle universelle Gelenkkopplung, die wir machen, erstklassig und präzise ist.
Wir verkaufen 80% unserer Produkte in Übersee, an Märkte wie die USA, Deutschland, Japan, Italien, Malaysia, Australien und den Nahen Osten. Und wir haben ein starkes Netzwerk in Orten wie China, Südkorea, Großbritannien, Singapur, den USA und Spanien, um das zu unterstützen. Mit dieser globalen Reichweite können wir maßgeschneiderte Lösungen erstellen, wie die SWC Heavy Duty Universal Gelenkkopplung-für schwere Maschinen-Gelenkkopplungssysteme für schwere Maschinen geführt, die große Lasten und lange Zeit dauern müssen.
Innovation und Kunden glücklich machen, sind unsere Prioritäten. Wir bieten energiesparende universelle gemeinsame Kopplungslösungen, die bis zu 98,6% der Übertragungseffizienz erreichten und die Betriebskosten für Hochleistungs-Setups senken. Unabhängig davon, ob Sie eine effiziente universelle Gelenkkupplung für große Stromübertragungen oder eine universelle gemeinsame Kopplung mit niedrigem Strom für Orte benötigen, an denen Lärm wichtig ist, sind unsere Produkte mit einem professionellen After-Sales-Service ausgestattet-und wir sind bestrebt, die Dinge richtig zu machen. Aus diesem Grund ist Raydafon die beste Wahl für alle Ihre Übertragungsanforderungen.
Adresse
LUOTUO Industriegebiet, Bezirk Zhenhai, Stadt Ningbo, China
Tel


+86-574-87168065


LUOTUO Industriegebiet, Bezirk Zhenhai, Stadt Ningbo, China
Copyright © Raydafon Technology Group Co., Limited Alle Rechte vorbehalten.
Links | Sitemap | RSS | XML | Datenschutzrichtlinie |
